BAT49
Diodo SCHOTKY
|
Como se ha
comentado anteriormente es el encargado de amortiguar los picos de
tensión, se usara el BAT49, que soporta una
tensión VRRM
de 80V. |
IR2110
High and Low side Driver
|
Son los encargados de
proporcionar el disparo inferior y superior de los MOSFET, la
circuitería que acompaña al driver es
típica para este tipo de montajes, teniendo en cuenta que
los condensadores, resistencias y diodos utilizados son los adecuados
para el disparo del MOSFET elegido.
Diodo se utilizara el D1N4148.
Resistencia utilizada de 22K.
Condensador utilizados de 0.1 y 1uF. |
LM324
Low Power Quad Operational Amplifiers
|
Utilizado
como amplificador diferencial, amplificara la señal de
sesado
del puente H y la comunicara a un comparador que se detallara
seguidamente. |
LM311
Voltaje Comparator
|
La salida de este
se aplicara a la función Shutdown del IR2110, esta
función apagara los transistores hasta la llegada del
siguiente
pulso, lo que permite un control de corriente ciclo por ciclo. |
74LS00
Quad 2-INPUT nand gate
|
Esta compuesta por puertas Nand, Son las
encargadas de realizar las conexiones entre el LM629 salidas PWM y los
Octo acopladores, están llevaran una resistencia a su salida
para limetar la señal de los Octo acopladores. |
CD40106C
Hex Schmitt Trigger
|
Es un circuito complementario
monolítico de Mos, construido con transistores de realce de
tipo N y de P, todas sus entradas están protegidas contra el
daño debido a las descargas estáticas, y es el
encargado de transmitir la señas de salida del los Octo
acopladores al circuito de potencia a través del los driver
IR2110. |
H11L1
Optoacopladores Logic Output
|
Opto
acopladores, son los encargados de aislar la parte de control de la de
potencia. Un octo acoplador combina un dispositivo semiconductor
formado por un foto emisor, un fotorreceptor y el camino por donde se
transmite la luz.
Todos estos elementos se encuentran
dentro de un encapsulado del tipo DIP.
La señal de entrada es
aplicada al foto emisor y la salida es tomada del foto rector.
Los opto acopladores convierten una
señal eléctrica en una señal luminosa
modulada y la vuelven a convertir en una señal
eléctrica, en ellos reside el aislamiento
eléctrico que pueden establecer entre circuitos.
La serie de H11L1 tiene un detector de
nivel alto con una velocidad optimizable junto a un diodo que emite
infrarrojos de arseniuro de galio, la salida incorpora un disparador de
Schimitt, que proporciona la histéresis para la inmunidad de
ruido y formar el pulso, utiliza una salida de colector abierto para la
flexibilidad máxima de su uso.
Algunas de sus
características:
- Alta tarifa de datos.
- Impulsión compatible con
microprocesadores.
- La salida compatible con la
lógica hunder 16mA en el máximo 0.4V
- Histéresis con./desc.
Garantizada en el umbral.
- Capacidad amplia del voltaje de
fuente, compatible con todos los sistemas populares de
lógica.
|
DS26LS31C / DS26LS32C
Line Drivers / Line receivers
|
Estos dos componentes forman una parte muy
importante del circuito, auque no están representados en el
esquema, solamente hay una pequeña anotación,
ahora se intentara realizar una pequeña
aclaración ya que de ella puede partir el buen
funcionamiento entre el circuito y el motor a través del
Encoder. |
DS26LS32C
Quad High Speed Differentials
Line Receivers
|
El DS26LS32C son receptores
diferenciales de línea del cuadrángulo
diseñados para motores, el Rs-422 y el Rs-423 (Son
conductores de línea) se usan para la transmisión
de datos digitales equilibrada y desequilibrada.
Tiene una sensibilidad de entrada de 200
mV sobre una gama de voltajes de entrada de .
Tiene incorporados los resistores
pull-down que previenen la oscilación de la salida en los
canales insusitados.
Las salidas de triple estado del TM, con
la opción de la salida complementaria permiten para recibir
directamente sobre un BUS de datos.
En la figura siguiente podemos ver el
diagrama lógico.

|
DS26LS31C
Quad High Speed Differentials
Line Drivers
|
El DS26LS31C es un conductor de
línea diferencial del cuadrángulo para
líneas equilibradas de datos del excedente digital de la
transmisión, se diseña para proporcionar la
impulsión diferenciada unipolar a las líneas de
conductor de doble retorcido o de alambres paralelos de la
transmisión.
El circuito proporciona un permitir e
inhabilita la función a los cuatro conductores de
transmisión.
Ofrece salidas de triple estado y
lógicamente las salidas complementarias de AND, las entradas
son todas de LS compatibles.
En la figura siguiente podemos ver el
diagrama lógico.

|
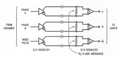
Entre estos dos dispositivos
estará conectada una línea de impedancia, esta
distancia va a depender de la situación que tengamos entre
el circuito y el Encoder.
En la siguiente figura se puede ver la conexión de la
línea RS-422 entre los dispositivos.

En la figura solo se muestra una
línea, en nuestro proyecto a desarrollar estará
compuesta
por tres líneas que va a conexionar el dispositivo LM629,
entradas A, B, In del Encoder con las salidas del propio Encoder
situado en el eje del motor, como podemos comprobar en la figura
siguiente:

RT
es la resistencia Pull-down. Su valor va a depender de la distancia de
la línea.
Existen líneas de impedancia ya constituidas formadas por el
Encoder digital y el propio ds26ls31c, como se muestra en la figura
siguiente.

|
IRPF250N
MOSFET
|
Transistor MOSFET, son los
que actúan como interruptores y dan paso al funcionamiento
del motor DC. |
AD536A
Convertidor de valor eficaz a continuo
|
El AD536 computa
directamente el valor eficaz de una señal compleja de
entrada
conteniendo componentes de alterna (AC) y continua (DC).
Las
pérdidas de alimentación con las entradas
conectadas no causan fallo en la unidad.
Las entradas y salidas están completamente protegidas.
Tiene un ancho de banda de 300 khz con
3dB de error para señales de un nivel de 100 mV.
Descripción de funcionamiento.
El AD536 computa el verdadero valor
medio cuadrático de una señal AC ó (AC
+ DC), dando en su salida un nivel equivalente en DC.
El único componente externo
requerido para desarrollar las medidas con la completa
precisión especificada es el condensador, el cual completa
el periodo promedio.
El valor de este condensador determina
la precisión en baja frecuencia AC, nivel de rizado y el
tiempo de establecimiento.
Diferentes configuraciones.
*nota: Las figuras sobre las que se
hará alusión se encuentra en el apartado de anexo
A.
( Figura 1 (Configuración con
alimentación simétrica +VS y -VS)
Mide el valor eficaz de una
señal AC y DC presente en la entrada. Mostrará un
error para bajas frecuencias de entrada como una función del
filtro capacitivo Cav.
( Figura 3 (Configuración con
alimentación referenciada a masa. Tensión de 5 a
36 Voltios)
Si se desea rechazar la entrada DC, un
condensador es añadido en serie con la entrada.
El condensador debe ser sin polaridad.
Es aconsejable colocar en alimentación un condensador
cerámico de 0.1 µF a masa tan cerca del
dispositivo como sea posible.
La mayor limitación de esta
conexión es que únicamente las señales
AC pueden ser medidas, ya que el estado de la entrada diferencial se
debe separar de masa para una operación correcta.
En la figura 5, se puede apreciar en la
gráfica la elección de diferentes condensadores
Cav según la frecuencia de trabajo.
( Figura 7 (Configuración
elegida para el proyecto)
El mejor método para reducir
el rizado de salida es el uso de un POST-FILTER.
Si un único filtro polo es
usado (C3 quitado, RX corto), y C2 es aproximadamente 2 X Cav, el
rizado es reducido y el tiempo de establecimiento es incrementado (Ver
figura 8, por ejemplo Cav = 1µF, C2 = 2.2 µF y F =
60 Hz, el rizado se reduce del 10% al 0.3%, aunque el tiempo es
incrementado por un factor de 3. Cav y C2 pueden ser reducidos para
realizar la compensación deseada.
Con dos polos PST-FILTER, el error de
rizado se reduce aún bastante más y el tiempo
apenas sube respecto al de un polo-filtro, por ello hemos elegido dicha
configuración.
*Para todas las configuraciones se
utiliza:
VRms = Aug [Vin² / Vrms]
Vout = 2 R2 * Irms = Vin rms
|
OP07
Amplificador Operacional
|
Amplificador operacional de
alta gama porque nos ofrece:
* Bajísima
dependencia de sus características frente a la temperatura.
* Bajísima
tensión de offset.
* Bajísimo
ruido.
* Bajísima
deriva de la tensión de offset con la temperatura.
Se utilizara como se ha dicho anteriormente en dos configuraciones,
como comparador y como filtro paso bajo |
MM74HC76
Dual JK Flip-flop With Set And Clear
|
Estas básculas utilizan
tecnología microCMOS, que permite:
Alta velocidad (30 MHz
mínimo).
Bajo consumo.
Alta inmunidad al ruido.
Todas las entradas están
protegidas del peligro por descargas electroestáticas.
Descripción de funcionamiento.
Cada báscula (flip-flop)
tiene entradas independientes J, K, PRESET, CLEAR y DE RELOJ, salidas Q
y ^Q. Estos dispositivos son atacados con flancos en la entrada de
reloj y cambian de estado en la transición negativa del
pulso de reloj.
Clear y Preset son independientes del
reloj y son ejecutados por un nivel lógico bajo en la
entrada correspondiente.
Este dispositivo se utilizara en el
circuito de señales de reloj para obtener diferentes
frecuencias de reloj.
Con el estará
acompañado varias puertas AND de dos y tres entrada como son
:
MM74HC11, AND de tres entradas.
MM74HC08, AND de dos entradas.
|
ADC0808
Converters with 8-channel Multiplexer
|
El
componente de adquisición de datos ADC0808, es un
dispositivo CMOS monolítico con un convertidor
analógico-digital de 8 bits, multiplexor de 8 canales y
lógica de control compatible con microprocesador.
El convertidor
analógico-digital de 8 bits utiliza aproximaciones sucesivas
como técnica de conversión.
Éste tiene como
característica un comparador estabilizado con un chopeado de
alta impedancia, un divisor de tensión con 256R con un
árbol de conmutación analógico y un
registro de aproximaciones sucesivas.
El multiplexor de 8 canales puede
acceder directamente a cualquiera de las 8 señales
analógicas por separado.
El dispositivo elimina la necesidad de
ajuste de 0 y escala completa externos. Fácil
conexión con microprocesadores, se da por los multiplexores
latcheados y sus entradas de direcciones decodificadas y salidas
latcheados TTL-Triestado.
El diseño del ADC0808 ha sido
optimizado incorporando los aspectos más deseables de varias
técnicas de conversión
analógico-digital.
El ADC0808 ofrece: alta velocidad,
influencia mínima de la temperatura sobre su funcionamiento
y consumo de potencia mínimo.
Descripción funcional.
El dispositivo contiene un multiplexor
de 8 señales analógicas por separado. Una
particular entrada del canal es seleccionada usando el decodificador de
direcciones.
(Ver tabla 1, que muestra el estado de
las líneas para seleccionar cualquiera de las
entradas).
La
monotonicidad es particularmente importante en el control de sistemas
con realimentación en lazo cerrado. Una relación
no monótona puede producir oscilaciones, que
serán catastróficas para el sistema.
Un proceso de conversión se
verá interrumpido al recibir un nuevo pulso de comienzo de
conversión.
La conversión continua se
puede realizar llevando la salida final de conversión (EOC)
a la entrada (SC).
Si se usa de este modo, un pulso externo
de comienzo de conversión se deberá aplicar
después del encendido.
El comparador de chopeado estabilizado,
convierte la señal de entrada DC (continua) en una
señal AC (alterna), esta señal se lleva luego a
un amplificador AC de alta ganancia y se le restaura el nivel DC.
Esta técnica limita la deriva
de los componentes del amplificador, ya que lo que se deriva es un
componente DC, que no se pasa por el amplificador de AC.
Esto hace que el convertidor entero
analógico-digital sea extremadamente insensible a la
temperatura, a fallos con el tiempo y errores por el offset de entrada.
Selección
canal analógico |
Líneas
de dirección |
|
C |
B |
A |
IN0 |
L |
L |
L |
IN1 |
L |
L |
H |
IN2 |
L |
H |
L |
IN3 |
L |
H |
H |
IN4 |
H |
L |
L |
IN5 |
H |
L |
H |
IN6 |
H |
H |
L |
IN7 |
H |
H |
H |
|
Tabla
1 Estado de las líneas
para seleccionar cualquiera de las entradas |
SN74HC4040
Divisor de frecuencia
|
Este dispositivo nos
proporcionara las frecuencias requerida en nuestro sistema. |
STDGC
16Mhz
|
Este dispositivo nos
proporciona la señal de 16Mhz para nuestro sistema.
|
LM7476A
Decodificador BCD de 7 segmentos
|
Este dispositivo,
es el encargado de proporcionar las señales al Displey de 7
segmentos, se caracteriza por tener las salida a nivel bajo. |
DISPLAY
7 Segmentos, de anodo comun
|
En el se representaran los
errores producidos en nuestro sistema, cada numero significara un error
determinado. |
TL7705A
Power-Supply Monitor with reset
|
Este sistema en aplicaciones
con microprocesadores con entrada de reset, se utilizara para efectuar
el reset a nuestro circuito. |
To220 (212-829)
TERMICO Normally closed
|
Este dispositivo
esta basado en un interruptor térmico, actúa por
el
aumento de temperatura, se utiliza la serie 212-829 en el cual el
contacto térmico esta normalmente cerrado. |
MGDI-18 : 18W POWER (+ 5V)
MGDI-19 : 20W POWER (± 15V)
|
Dadas las
especificaciones de nuestro trabajo, se tendrá una
alimentaron
de 25v y esta se aprovechara a través de los convertidores
utilizados para la alimentación de todo el sistema. |
|
Nota: Las
características de operación de los diferentes
elementos,
se pueden consultar en el Anexo A. ( Cd-rom adjunto). |
|
|